概述:水环真空泵因其工作原理及结构上的特点使其在化工、制药等行业得到了广泛的应用。在正常的应用中,水环真空泵的工作液多采用直排方式,如图1所示。
图1 一般的水环真空泵工作液供应及排放示意图
水环真空泵排出的水进入大的循环水池或直接排走。这种供水及排水方式连接方便,使用简单,在实际应用中被较多地采用。
但是如果被抽除的介质中含有有机溶剂、有毒物质等时,采用工作液直排的使用方法存在以下缺点:
因水环泵在抽除气体时,被抽气体与工作液混合,排水口排出的水中会含有部分有机溶剂、有毒物质,因水的排放量大,水的排放对环保造成了很大压力。
含有有机溶剂、有毒物质的水会释放出有害气体,加重了对环境的污染。
被抽除的有机溶剂不易回收而被浪费掉。
鉴于以上问题,越来越多的化工、制药企业采用了水环式真空泵闭路循环系统。
水环式真空泵闭路循环系统主要特点如下:
1、 机组作为成套设备供货,包括气液分离器、换热器、机架、内部管线等附件,更利于用户的安装,可大大缩短用户的安装周期。
2、 工作液可采用水或各种化工溶剂等循环使用,大大减小了化工行业对环境的污染。
3、 如采用所抽除介质作为工作液时,可回收所抽除的介质。
4、 2BW系列闭环系统需根据用户的入口条件、冷却水的条件、排气口的条件等进行设计,属于非标产品。
工作原理:
最基本的2BW系列液环真空泵/压缩机闭路循环系统如图2:
被抽气体从吸气口进入液环真空泵/压缩机,经液环真空泵/压缩机压缩后与部分工作液一起进入气液分离器,在气液分离器内气液两相得到分离,气体从排气口排出,工作液经换热器被液环泵/压缩机吸入进行循环使用。
液环泵在工作过程中会产生热量,主要热量包括:真空泵/压缩机的无效功率;吸入气体温度较高带来的热量;吸入气体含有可凝性气体在压缩过程中释放出相变热。换热器的主要作用是通过冷却水冷却工作液,使工作液温度保持在合理的范围之内。
设备组成:
液环真空泵/压缩机闭路循环系统主要部件包括:
. 液环真空泵/压缩机
. 气液分离器
. 换热器
. 共用底盘
. 内部管线
在使用中可根据实际情况选择安装以下附件:
1、 吸气口真空止回阀。为防止真空泵/压缩机停机时返流,一般需在泵的入口处安装真空止回阀或气动阀门等。
2、 吸气口真空表或压力传感器。为便于观察泵吸气口的压力,可在泵吸气口安装真空表。如需根据吸入压力进行控制动作,应在泵吸气口安装压力传感器。
3、 吸气口过滤器。如系统及管路中可能会有异物进入泵内,应在泵吸气口安装过滤器或滤网。
4、 分离器溢流口。可将多余的工作液从气液分离器中排出。
5、 分离器补液口。如工作液不足时可从补液口适当补充工作液。
6、 分离器液位计。可观察分离器内的液位,如需液位自动控制,则应安装带信号输出的液位计、自动溢流或补液装置。
7、 分离器压力表。如分离器内可能会产生压力,应在分离器上安装压力表。
8、 温度计。如需观察工作液入口温度,应在工作液管路中安装温度计。
9、 工作液增压泵。如泵的工作液供应不足或工作管路阻力较大时可安装工作液增压泵。
10、工作液控制阀门。如工作液供应可能会过大时应在工作液管路中安装控制阀门。
11、汽蚀保护管路。如真空泵的吸入压力接近工作液的饱和蒸汽压,应在真空泵与分离器之间安装汽蚀保护管路。
12、如作为压缩机使用时,应在压缩机的吸排气管路之间安装平衡管路及相应阀门附件。
13、吸气管路、排气管路、工作液管路截止阀。如液环真空泵/压缩机设计为多台泵并行使用,共用分离器时,应在吸气管路、排气管路、工作液管路安装截止阀。
14、排气冷凝器。如需对排气口可凝性气体进行捕集或回收,可在气液分离器排气口安装冷凝器。
15、如有其他特殊要求时,可安装相应附件。
基本型式:
1、 工作液采用水或其它液体,被抽介质不回收。
流程图如图2
2、 工作液采用被抽介质,排气口增加排气冷凝器。
流程图如图3
我们已成功地应用了甲醇、乙醇、乙二醇、甲苯、二甲苯、丙酮、丙烯腈、二氯甲烷、氯仿、四氯化碳等溶剂作为液环真空泵的工作液。
3 液环真空泵闭环系统流程图 (用于回收溶剂)
设备选型注意事项:
因液环真空泵/压缩机的选型需根据详细的工况条件进行计算,如需我公司进行设计选型,请务必提供详细的工况条件。可填写公司样本之70页附录:液环真空泵/液环压缩机/液环机组参数表。
2BW系列液环式真空泵闭路循环系统是由2BV或2BE系列液环真空泵及汽水分离器、换热器及各类管路附件组成的成套设备。其相对于单台液环真空泵而言,安装更加方便。因工作液可循环使用,该系统大大减小了工作液的消耗和对环境的污染,因此在所抽除气体中有毒,所抽除气体含有有机溶剂等各种场合具有明显优越性。在大多使用场合均可采用液环真空泵闭路循环系统。
液环真空泵闭路循环系统工作液可采用多种介质:水,甲醇、乙醇、二甲苯、苯胺、丙酮等有机溶剂,变压器油等。
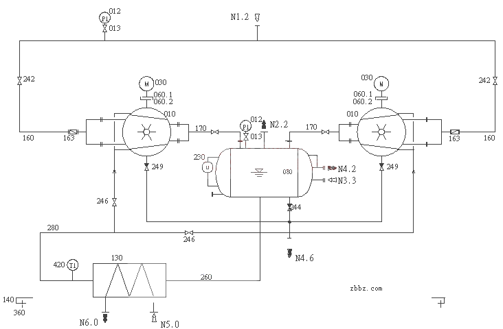
N1.2 吸气口 N2.2 排气口 N3.3 工作液补液口
N4.2 溢流口 N4.6 排空/总排空 N5.0 冷却液入口
N6.0 冷却液出口
010 真空泵 012 压力表 013 阀门
030 电机 060.1 电机皮带轮 060.2 泵皮带轮
080 分离器 130 换热器 140 底盘
160 吸气管路 163 真空止回阀 170 排气管路
230 液位计 242 阀门 244 阀门
246 阀门 249 阀门 260 工作液管路
280 工作液管路 360 地脚螺栓 420 温度计
2BW系列液环式真空泵闭路循环系统(一开一备)流程图
气体由系统入口法兰 N1.2 吸入 。气体被压缩携带部分工作液,通过排气管线(170)排至分离器(080),在分离器内汽水分离。气体被压缩至排气压力后,通过法兰口N2.2排出系统。分离器(080)配带液位计(230) ,用以指示分离器内液位。
分离器内液位由液位计(230)指示,正常液位限定在最高、最低液位标示之间(液位计的可视范围)。若液位过低,通过补液口N3.3补充工作液;若液位过高,通过溢流口N4.0排液, 以此保证分离器内液位。
排空口N4.6用于彻底排净分离器(080)和真空泵(010)内的液体。
工作液用于形成真空泵的液环。工作液通过管线(260),自分离器(080)流入换热器 (130),冷却后通过管线(280)返回真空泵。在此过程中,压缩产生的热及随被抽气体 带入的热被释放掉。该闭环机组设计为两台真空泵(010)共用一台分离器(080)和一台换热器(130)(真空泵一开一备),一台真空泵工作时,备用泵的吸气管路和排气管路上的蝶阀须关好。正常多采用一台真空泵(010)配套一台分离器(080)和一台换热器(130)。







